| Types of tests |
Standard |
Test Setup |
| Orthopaedic Bone Plate |
| Static Four Point Bend Test / Single Cycle Bend Testing |
IS 14229 |
 |
| ISO 9585 |
| ASTM F 382 |
 |
| Bending Fatigue Properties |
ASTM F 382 |
|
| Orthopaedic Angled Fracture Fixation Devices |
| Single Cycle Compression Bend Testing |
ASTM F 384 |
 |
| Bending Fatigue Properties |
ASTM F 384 |
| Metallic Bone Screws |
| Determination of Torsional Properties |
ASTM F 543 |
 |
| Determination of Driving Torque |
ASTM F 543 |
 |
| Determination of Axial Pull Out Strength |
ASTM F 543 |
 |
| Bending Fatigue Testing of Locking Screws |
ASTM F 1264 |
 |
| Metallic Bone Staples |
| Constant Amplitude Bending Fatigue Test |
ASTM F 564 |
 |
| Pull-Out Fixation Strength |
ASTM F 564 |
|
| Soft Tissue Fixation Strength |
ASTM F 564 |
 |
| Total Knee Replacement Prosthesis |
| A-P Draw Test |
ASTM F 1223 |
|
| ML Shear Test |
ASTM F 1223 |
| Rotary Laxity Test |
ASTM F 1223 |
| Distraction Test |
ASTM F 1223 |
| Valgus-Varus Constraint Test |
ASTM F 1223 |
| Intramedullary Fixation Devices |
| Static Four Point Bend Test |
ASTM F 1264 |
 |
| Static Torsional Testing |
ASTM F 1264 |
 |
| Bending Fatigue Testing |
ASTM F 1264 |
 |
| External Skeletal Fixation Devices |
| Test Method for External Skeletal Fixator Connectors |
ASTM F 1541 |
 |
| Determination of In-Plane Compressive Properties of Circular Ring or Ring Segment Bridge Elements |
ASTM F 1541 |
 |
| Test Method for External Skeletal Fixator Joints |
ASTM F 1541 |
 |
| Test Method for External Skeletal Fixator Pins |
ASTM F 1541 |
 |
| Test Method for External Skeletal Fixator Subassemblies |
ASTM F 1541 |
 |
| Test Method for External Skeletal Fixator – Bone Constructs |
ASTM F 1541 |
 |
| Multicycle Dynamic Test |
ASTM F 1541 |
  |
| Four Point Bend Test |
ASTM F 1541 |
 |
| Torsion Test |
ASTM F 1541 |
 |
| Spinal Implants |
| Static Compression Bending Test |
ASTM F 1717 |
 |
| Static Tension Bending Test |
ASTM F 1717 |
 |
| Static Torsional Test |
ASTM F 1717 |
| Fatigue Testing |
ASTM F 1717 |
| Spinal Implants-Subassemblies for spinal arthrodesis |
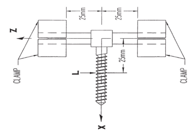
| Static Mechanical Properties-Tightening Torque |
ASTM F 1798 |
 |
| Static Mechanical Properties-Static AP Load |
ASTM F 1798 |
 |
| Static Mechanical Properties-Static Transverse Load |
ASTM F 1798 |
 |
| Static Mechanical Properties-Axial Gripping Capacity |
ASTM F 1798 |
 |
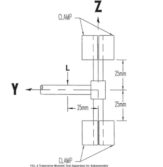
| Static Mechanical Properties-Transverse Moment |
ASTM F 1798 |
 |
| Static Mechanical Properties-Flexion-Extension Test |
ASTM F 1798 |
 |
| Static Mechanical Properties-Axial Torque |
ASTM F 1798 |
 |
| Measurement of Fatigue Runout |
ASTM F 1798 |
 |
| Spinal Screws |
| Torsional Properties |
ASTM F 1798/ ASTM F 543 |
 |
| Driving Torque |
ASTM F 543 |
| Axial Pull Out |
ASTM F 543 |
 |
| Bending Fatigue Properties |
ASTM F 1264 |
 |
| Spinal Plates |
| Bending Fatigue Properties |
ASTM F 382 |
 |
| Spinal Rods |
| Static Four Point Bend Test / Single Cycle Bend Testing |
IS 14229 |
 |
| ISO 9585 |
| ASTM F 382 |
| Bending Fatigue Properties |
ASTM F 382 |
| Intervertebral Fusion Device |
| Static Axial Compression Test |
ASTM F 2267 |
 |
| Modular Acetabular Device |
| Disassembly Force to a Modular Acetabular Device |
ASTM F 1820 |
 |
| Modular Prosthesis |
| Disassembly Force to a Modular Prothesis |
ASTM F 2009 |
 |
| Intervertebral Fusion Devices |
| Static Test |
ASTM F 2077 |
 |
| Dynamic Test |
ASTM F2077 |